1957 Chevy Truck Shop Manual

  • Sale
  • Regular price $51.00


The 1973 Chevrolet Truck Light Duty Shop Manuals, Owner Manual, Sales Brochures & Parts Catalogs on USB is a digital product published by Detroit Iron and licensed by GM. This Detroit Iron digital product provides a full set of original equipment manufacturer (OEM) repair and rebuild literature in digital / PDF format. This set of manuals and literature were originally authored and published by the car / truck manufacturer to be used by their dealership mechanics so they are very comprehensive. It features an easy-to-use bookcase in a garage scene containing a set of PDF manuals, catalogs, brochures and nostalgia for a specific year, make and model range.

Features:

  • Each factory service/shop manual includes coverage on all mechanical and electrical systems as well as specifications, wiring diagrams, diagnostic procedures, troubleshooting, installation and removal
  • Each manual is chapter bookmarked into a single PDF file, allowing for ease of searching
  • Files are printable and searchable
  • The bookcase provides organization of manual types (Service Manuals, Sales Literature, Parts Catalogs & Nostalgia) by shelf and showcases each manual with the actual graphic art representation of the literature cover thumbnails.

Refer below for specific details included in the 1973 Chevrolet Truck Light Duty Shop Manuals, Owner Manual, Sales Brochures & Parts Catalogs Detroit Iron USB product.

MANUALS INCLUDED:

  • 1973 Chevrolet Light Duty Truck Service Manual (Series 10 thru 30)
  • 1973 Chevrolet Overhaul Manual (Cars / Truck Series 10 thru 30)
  • 1973 Chevrolet Luv Shop Manual (Series 2)
  • 1973-78 Truck Parts Text / Illustration Catalogs
  • 1973 Chevy Truck Sales Brochures and Data

MODELS COVERED:

  • 1973 Chevrolet Models: Blazer, C10 Pickup, C10 Suburban, C20 Pickup, C20 Suburban, C30 Pickup, G10 Van, G20 Van, G30 Van, K10 Pickup, K10 Suburban, K20 Pickup, K20 Suburban, K30 Pickup, Luv Pickup, P10 Van, P20 Van, P30 Van

This digital product includes OEM / factory service / shop manuals and parts guides / books.

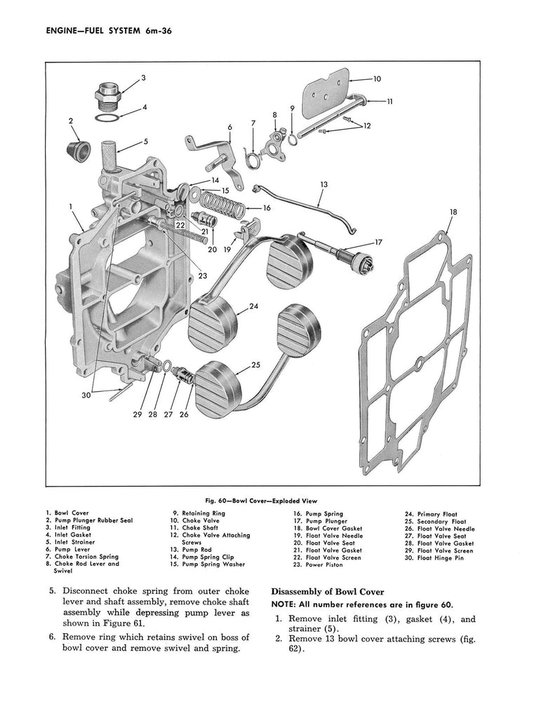
Each factory service/shop manual provides detailed step-by-step service instructions with associated exploded views and photos for the following vehicle components: General Information, Brakes, Steering, Front & Rear suspension, wheels and tires, axles and drive lines, electrical systems, engine mechanical, engine fuel, transmission, accessories, frame, cooling system, exhaust systems and body information.

An OEM Parts Guide or Parts Book provides detailed parts information via exploding diagram cutouts of sections of your vehicle assembly with part numbers and textual descriptions. A parts guide provides part interchange information so you can find replacement parts. The part book sections usually include: suspension, engine, transmission, body fittings/parts, brakes, cooling radiator, electrical, exhaust, fenders, frame, fuel system, etc.

SYSTEM REQUIREMENTS: Any Operating System (OS) that allows user access to the file system, e.g. Windows, Mac OS, Linux, Chromebook, etc. An HTML Browser such as: Edge, Explorer, Chrome, Safari, Firefox and others. NOTE: No internet connection is required to use this product.